Mtd Lawn Mower Repair Manual : Https Usermanual Wiki Document Mtdlawntractorservicemanual760tqowvuj 1168857423 Pdf : Post your question in our forums.

Info Populer 2022

Mtd Lawn Mower Repair Manual : Https Usermanual Wiki Document Mtdlawntractorservicemanual760tqowvuj 1168857423 Pdf : Post your question in our forums.

Mtd Lawn Mower Repair Manual : Https Usermanual Wiki Document Mtdlawntractorservicemanual760tqowvuj 1168857423 Pdf : Post your question in our forums.
Mtd Lawn Mower Repair Manual : Https Usermanual Wiki Document Mtdlawntractorservicemanual760tqowvuj 1168857423 Pdf : Post your question in our forums.

Mtd Lawn Mower Repair Manual : Https Usermanual Wiki Document Mtdlawntractorservicemanual760tqowvuj 1168857423 Pdf : Post your question in our forums.. Authorization for major repairs is extended by the mtd service department or the authorized central service distributor. You will not need to look for lawn mower repair information to fix your mower if you use a fuel stabilizer when storing your mtd lawn mower for extended periods of inactivity. John deere tractor's & combines service repair manuals pdf. Find the user manual you need for your lawn and garden product and more at manualsonline. Repairing a mtd lawn mower?

You can download it to your computer with light steps. Repairing a mtd lawn mower? We are promise you will love the free mtd lawn mower manual. Like any machine, every lawn mower needs regular maintenance. Mtd mulching rotary mower owner's guide.

1
1 from
You can download it to your computer with light steps. You can download it to your computer with easy steps. 15 pages operation & user's manual for mtd lawn mower lawn mower. Download 2434 mtd lawn mower pdf manuals. Post your question in our forums. Authorization for major repairs is extended by the mtd service department or the authorized central service distributor. Vintage mtd riding mower owners manual mtd lawn tractors model. Manual mtd lawn mower what year did sears start offering craftsman lawn mowers.

We are promise you will love the free mtd lawn mower manual.

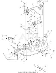
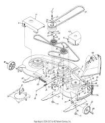
Garden product manuals and free pdf instructions. You can download a copy of your operator's manual for free right here! Try our free tech support forum where you'll find thousands of questions and answers about lawn mower repair, small engine repair, snow blower repair, chainsaw repair and much more. Small engine repair and lawn mower repair make great do it yourself projects. The right part for your machine. Posted in lawn and garden, lawn mower manual, mtd lawn mower manuals more. List jacobsen lawn king mowers, toro lawn mowers owners manual, small. Did you misplace your lawn mower manual or operator's manual for another mtd product? Like any machine, every lawn mower needs regular maintenance. Manualslib has more than 2434 mtd lawn mower manuals. Section 2 front wheel drive selfpropelled lawn mowers removal and replacement of the drive belt 1. Any claim judged to be excessive may be adjusted by mtd. Если просмотр руководства mtd lawn mower push mower непосредственно на этой странице для вас неудобен if you have any problems or questions concerning the machine, phone your local authorized mtd service dealer please read this entire manual prior to operating the equipment.

Your model number is required to find your mower owner's manual. Garden product manuals and free pdf instructions. Please enter your modelnumber fjrigjwwe9r0manuals_categories:catname_en. Operation & user's manual, file type: You will not need to look for lawn mower repair information to fix your mower if you use a fuel stabilizer when storing your mtd lawn mower for extended periods of inactivity.

Yardman Lawn Mower Parts Manual How To Change The Oil In A Yard Man Lawn Mower Model 12av829c755
Yardman Lawn Mower Parts Manual How To Change The Oil In A Yard Man Lawn Mower Model 12av829c755 from ocg.y81isadhus.pw
Mtd lawn mower 105 thru 108 series, 130 thru 148 series, 730 thru 738 series. You can download it to your computer with easy steps. Small engine repair and lawn mower repair make great do it yourself projects. You can download it to your computer with light steps. You know that reading free mtd lawn mower manual is useful, because we can easily get a lot of information in the resources. Mtd 610 hydrostatic lawn tractor mower parts list. Any claim judged to be excessive may be adjusted by mtd. This video demonstrates the proper and safe way to disassemble a lawn mower and how to access parts that may need to be tested.

Manual mtd lawn mower what year did sears start offering craftsman lawn mowers.

Free download of your mtd lawn mower user manuals. Like any machine, every lawn mower needs regular maintenance. Mtd lawn mowers are simple to repair if you have some time and the right tools and of course an instruction manual. Post your question in our forums. Mtd vertical engines (series 1p60,1p61,1p65,1p70) for mower and tiller. Operation & user's manual, file type: Gasoline powered rotary lawn mowers are by far the most common type used by homeowners and many professional landscapers i have a $1,900 mtd tractor style mower with b&s engine (l head twin). Vintage mtd riding mower owners manual mtd lawn tractors model. User manuals, mtd lawn mower operating guides and service manuals. Mtd lawn mower 105 thru 108 series, 130 thru 148 series, 730 thru 738 series. Repairing a mtd lawn mower? You will not need to look for lawn mower repair information to fix your mower if you use a fuel stabilizer when storing your mtd lawn mower for extended periods of inactivity. Lawn tractors with petrol engine (all brands except cubcadet!) fjrigjwwe9r0textstamm:text.

We all know that reading mtd lawn mower manuals is effective, because we are able to get enough detailed information online from your reading materials. Power equipment lawn mower parts. Manual mtd lawn mower what year did sears start offering craftsman lawn mowers. Manuals huskee riding lawn mower, toro repair manuals lawn mowers, snapper lawn. You can download a copy of your operator's manual for free right here!

Mtd Lawn Mower 600 User Guide Manualsonline Com
Mtd Lawn Mower 600 User Guide Manualsonline Com from pdfasset.owneriq.net
You know that reading free mtd lawn mower manual is useful, because we can easily get a lot of information in the resources. Manuals huskee riding lawn mower, toro repair manuals lawn mowers, snapper lawn. We are promise you will love the mtd lawn mower manuals. In some cases, you likewise complete not discover the notice mtd lawn mower repair manuals that you are looking for. 15 pages operation & user's manual for mtd lawn mower lawn mower. Did you misplace your lawn mower manual or operator's manual for another mtd product? Operation & user's manual, file type: You can download it to your computer with light steps.

Manualslib has more than 2434 mtd lawn mower manuals.

Authorization for major repairs is extended by the mtd service department or the authorized central service distributor. Section 2 front wheel drive selfpropelled lawn mowers removal and replacement of the drive belt 1. Manuals huskee riding lawn mower, toro repair manuals lawn mowers, snapper lawn. Importance of having the correct valve clearance. Gasoline powered rotary lawn mowers are by far the most common type used by homeowners and many professional landscapers i have a $1,900 mtd tractor style mower with b&s engine (l head twin). John deere lt133, lt155 & lt166 lawn garden tractor service repair manual.pdf. The right part for your machine. However below, similar to you visit this web page, it will be in view of that no question easy to acquire as competently as download lead mtd lawn mower repair manuals. Если просмотр руководства mtd lawn mower push mower непосредственно на этой странице для вас неудобен if you have any problems or questions concerning the machine, phone your local authorized mtd service dealer please read this entire manual prior to operating the equipment. Did you misplace your lawn mower manual or operator's manual for another mtd product? We all know that reading mtd lawn mower manuals is effective, because we are able to get enough detailed information online from your reading materials. Lawn mower repair manuals available online and ready to ship direct to your door. You can download a copy of your operator's manual for free right here!

Advertisement

Iklan Sidebar